




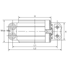
| 外徑接管Dw mm |
公稱通徑DN mm |
允許管端 軸向符合 kgf |
伸縮量 mm |
允許轉(zhuǎn)角 ø |
最小長度 mm |
安裝長度 mm |
最大長度 mm |
配用螺栓 d x L mm |
| 89 | 80 | 2680 | 10 | 17.90 | 80 | 85 | 90 | 16 x 50 |
| 108 | 100 | 3550 | 10 | 15.06 | 90 | 95 | 100 | 16 x 50 |
| 133 | 125 | 4620 | 10 | 13.05 | 90 | 95 | 100 | 16 x 60 |
| 159 | 150 | 5530 | 10 | 12.09 | 90 | 95 | 100 | 16 x 60 |
| 194 | 175 | 7370 | 10 | 10.51 | 90 | 95 | 100 | 16 x 60 |
| 219 | 200 | 9370 | 10 | 9.33 | 100 | 105 | 110 | 16 x 70 |
| 245 | 225 | 11750 | 10 | 8.36 | 100 | 105 | 110 | 16 x70 |
| 273 | 250 | 14620 | 10 | 7.51 | 100 | 105 | 110 | 18 x 70 |
| 325 | 300 | 20680 | 12 | 6.32 | 100 | 106 | 112 | 18 x 70 |
| 377 | 350 | 27875 | 12 | 5.45 | 100 | 106 | 112 | 18 x 80 |
| 426 | 400 | 35600 | 12 | 4.80 | 100 | 106 | 112 | 18 x 80 |
| 480 | 450 | 45180 | 12 | 4.28 | 100 | 106 | 112 | 18 x 80 |
| 530 | 500 | 55120 | 12 | 3.88 | 100 | 106 | 112 | 18 x 80 |
| 630 | 600 | 65900 | 20 | 3.27 | 120 | 130 | 140 | 20 x90 |
| 720 | 700 | 70170 | 20 | 2.86 | 120 | 130 | 140 | 20 x90 |
| 820 | 800 | 84400 | 20 | 2.51 | 120 | 130 | 140 | 20 x 90 |
| 920 | 900 | 106200 | 20 | 2.24 | 130 | 140 | 150 | 18 x 90 |
| 1020 | 1000 | 116870 | 20 | 2.02 | 130 | 140 | 150 | 18 x 90 |
| 1220 | 1200 | 130600 | 20 | 1.69 | 130 | 140 | 150 | 18 x 90 |
| 1420 | 1400 | 146200 | 20 | 1.45 | 140 | 150 | 160 | 20 x 90 |
| 1620 | 1600 | 158300 | 20 | 1.27 | 140 | 150 | 160 | 20 x 90 |
| 1820 | 1800 | 166000 | 20 | 1.13 | 140 | 150 | 160 | 20 x 90 |
| 2020 | 2000 | 179000 | 25 | 1.01 | 145 | 165 | 170 | 20 x 90 |
| 2220 | 2200 | 187000 | 25 | 1.01 | 145 | 165 | 170 | 20 x 90 |
| 2420 | 2400 | 196000 | 25 | 1.01 | 145 | 165 | 170 | 20 x 90 |
| 2620 | 2600 | 206000 | 25 | 1.01 | 145 | 165 | 170 | 20 x 90 |
| 2830 | 2800 | 253300 | 25 | 1.01 | 145 | 165 | 170 | 20 x 90 |
| 3020 | 3000 | 260100 | 25 | 1.01 | 145 | 165 | 170 | 20 x 90 |
| 3220 | 3200 | 286900 | 25 | 1.01 | 145 | 165 | 170 | 20 x 90 |

公司地址:上海市松江工業(yè)園區(qū)
手機(jī):13671689158
郵箱:shjingyi@vip.126.com
傳真:021-33321171
微信公眾號
